6686体育

旋转接头

6686体育 - 产品展示

915型旋转接头

型号:915
外管:螺纹或法兰
特征:反球面密封; 标准碳石墨密封技术; 密封结构外置设计; 精密铸件设计; 分体式设计; 可自动调心; 密封磨损刻度线,可预防性维护设计; 偏摆适应性强; 适用于高速。

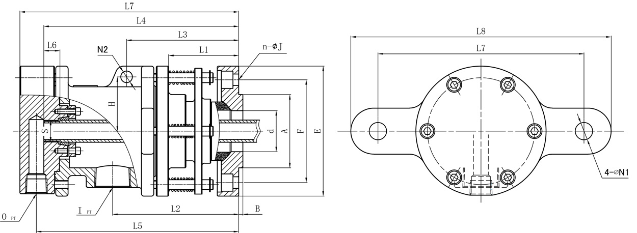
技术参数:
适用介质 蒸汽
最高温度 ≤235℃
最高压力 ≤2.0MPa
最高转速 ≤400rpm

产品咨询 返回列表

销售服务热线:

0595-8686 1188


Model A B I O d E F S L1 L2 L3 L4 L5 L6 L7 L8 n-ΦJ N1 N2 H
40A 89 5 Rc1-1/4" Rc3/4" 50 158 125 Rp3/4" 85 153 136 236 245 20 250 326 4-Φ14 21 14 66

除以上规格品外,本公司可根据用户要求特殊定制;

规格尺寸如有改动,恕不另行通知。

Copyright ©6686 - 幸运赛事尽在6686体育世界杯官网 版权所有 中机标准化研究院 网站建设:

var _hmt = _hmt || []; (function() { var hm = document.createElement("script"); hm.src = "https://hm.baidu.com/hm.js?25a8b6ddd6dc7b9a90aeb1f51e218aa6"; var s = document.getElementsByTagName("script")[0]; s.parentNode.insertBefore(hm, s); })(); 星空体育xk sports(综合)有限公司官方网站 超凡国际官网-追求健康,你我一起成长 - pgcf 沐鸣娱乐II官方平台资讯站_沐鸣娱乐2 星空真人(中国大陆)集团官方世界杯官网 龙8-long8(头号玩家)国际官方网站