6686体育

旋转接头

6686体育 - 产品展示

MXQC2型 旋转接头

型号:MXQC2
外管:螺纹或法兰
特征:反球面密封; 标准碳石墨密封技术; 宽间距多道无油轴承支撑; 精密铸件壳体; 分体式设计; 可自动调心; 旋转轴表面经耐磨损、耐腐蚀处理; 密封磨损刻度线,可预防性维护设计; 偏摆适应性强; 双通路设计; 易于更换。

技术参数:
适用介质 蒸汽
最高温度 ≤220℃
最高压力 ≤2.0MPa
最高转速 ≤300rpm

产品咨询 返回列表

销售服务热线:

0595-8686 1188


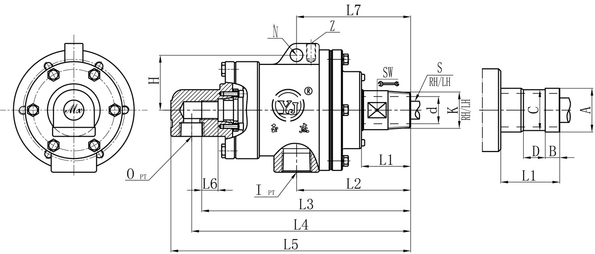
Model K I O S d L1 L2 L3 L4 L5 L6 L7 Z N SW H 法兰式外管尺寸对照表
A B C D
32A R1-1/4" Rc1" Rc3/4" Rp1/2" 30 54 128 232 246 270 18 132 M10 14 39 62 40 13 38 20
40A R1-1/2" Rc1-1/4" Rc3/4" Rp3/4" 36 57 142 262 276 300 20 143 M10 16 45 69 47.8 13 45 20
50A R2 Rc1-1/2" Rc1" Rp1" 45 70 170 303 317 343 22 176 M12 18 57 82 60 16 57 24

如属规格品外,本公司可配合要求制作。
规格尺寸如有修改,恕不另行通知。

Copyright ©6686 - 幸运赛事尽在6686体育世界杯官网 版权所有 中机标准化研究院 网站建设:

var _hmt = _hmt || []; (function() { var hm = document.createElement("script"); hm.src = "https://hm.baidu.com/hm.js?25a8b6ddd6dc7b9a90aeb1f51e218aa6"; var s = document.getElementsByTagName("script")[0]; s.parentNode.insertBefore(hm, s); })(); 星空体育xk sports(综合)有限公司官方网站 超凡国际官网-追求健康,你我一起成长 - pgcf 沐鸣娱乐II官方平台资讯站_沐鸣娱乐2 星空真人(中国大陆)集团官方世界杯官网 龙8-long8(头号玩家)国际官方网站