6686体育

旋转接头

6686体育 - 产品展示

MXB型 单通路

型号:MXBWMT、MXBWMQ
外管:螺纹或法兰
特征:平面式密封设计; 多弹簧设计; 弹簧外置平衡设计; 自支撑式设计; 标准碳石墨密封设计; 平衡式非金属组合摩擦设计或平衡式非金属摩擦副设计; 高精度金属轴承支撑; 单通路或双通路设计; 同心度高; 低扭矩; 适用高转速; 分体式设计; 便于维护。

技术参数:
适用介质 水、油
最高温度 ≤120℃(水)、≤300℃(油)
最高压力 ≤1.0MPa
最高转速

15A-80A≤3000rpm


产品咨询 返回列表

销售服务热线:

0595-8686 1188


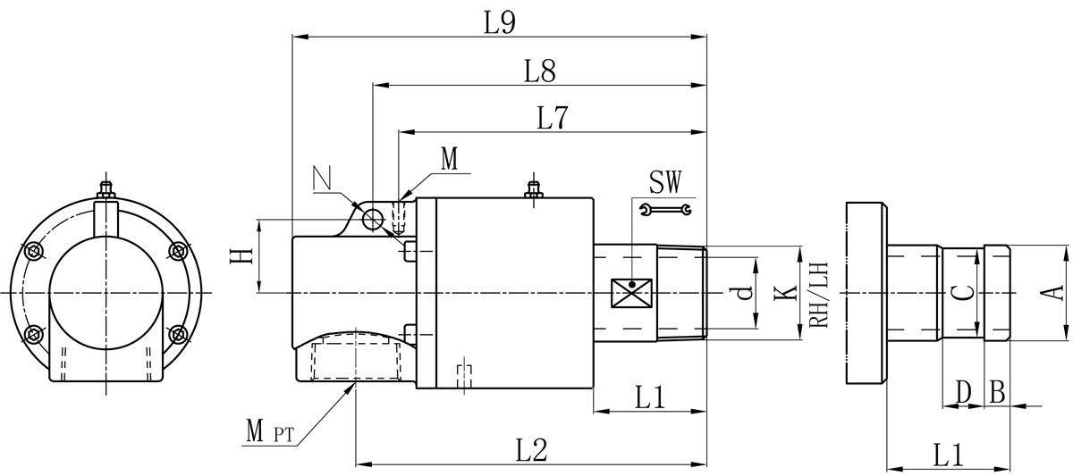
Model K M d L1 L2 L7 L8 L9 M N H SW 法兰式外管尺寸对照表
A B C D
15A R1/2” Rc1/2” 13 35 113 104 / 128 M6 / / 22 / / / /
20A R3/4” Rc3/4” 17 42 132 121 / 150 M6 / / 26 26 11 24 16
25A R1” Rc1” 21 42 138 124 / 159 M6 / / 32 34 12 32 18
32A R1-1/4” Rc1-1/4” 30 50 160 141 / 188 M8 / / 41 40 13 38 20
40A R1-1/2” Rc1-1/2” 36 57 176 155 168 206 M6 10 37 46 47.8 13 45 20
50A R2” Rc2” 46 70 202 175 189 240 M8 10 44 57 60 16 57 24

如属规格品外,本公司可配合要求制作。
规格尺寸如有修改,恕不另行通知。

Copyright ©6686 - 幸运赛事尽在6686体育世界杯官网 版权所有 中机标准化研究院 网站建设:

var _hmt = _hmt || []; (function() { var hm = document.createElement("script"); hm.src = "https://hm.baidu.com/hm.js?25a8b6ddd6dc7b9a90aeb1f51e218aa6"; var s = document.getElementsByTagName("script")[0]; s.parentNode.insertBefore(hm, s); })(); 星空体育xk sports(综合)有限公司官方网站 超凡国际官网-追求健康,你我一起成长 - pgcf 沐鸣娱乐II官方平台资讯站_沐鸣娱乐2 星空真人(中国大陆)集团官方世界杯官网 龙8-long8(头号玩家)国际官方网站