6686体育

旋转接头

6686体育 - 产品展示

MXQ型 双通路(内管固定式)

型号:MXQ
外管:螺纹或法兰
特征:球面密封设计; 标准碳石墨密封技术; 可更换性密封底盖; 最大化轴承间距; 改进型接头和虹吸器支撑; 旋转式或固定式虹吸器。

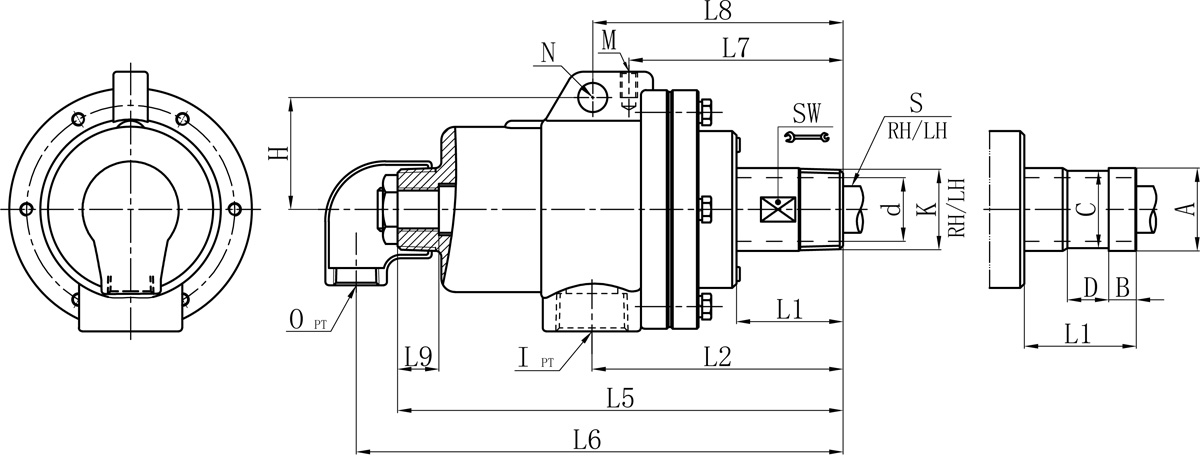
技术参数:
适用介质 导热油、蒸汽
最高温度 ≤220℃(蒸汽),≤350℃(油)
最高压力 ≤1.8MPa
最高转速 20A-80A≤250rpm;90A-150A≤100rpm


产品咨询 返回列表

销售服务热线:

0595-8686 1188


Model K I O S d L1 L2 L5 L6 L7 L8 L9 M N H SW 法兰式外管尺寸对照表
A B C D
20A R3/4" Rc3/4" Rc1/2" Rp1/4" 18 46 104 182 199 96 / 29 M10 / / 24 26 11 24 16
25A R1" Rc3/4" Rc1/2" Rp3/8" 23.5 51 110 195 210 109 / 30 M10 / / 32 34 12 32 18
32A R1-1/4" Rc1" Rc1/2" Rp1/2" 30 51 122 222 238 108 124 23 M10 14 60 41 40 13 38 20
40A R1-1/2" Rc1-1/4" Rc3/4" Rp3/4" 36 62 143 254 278 133 149 22 M10 16 71 46 47.8 13 45 20
50A R2" Rc1-1/2" Rc1" Rp1" 45 71 161 295 312 150 173 45 M12 18 81 55 60 16 57 24
65A R2-1/2" Rc2" Rc1-1/4" Rp1-1/4" 58 76 178 333 357 157 183 58 M12 20 91 70 74 19 70 24
80A R3" Rc2-1/2" Rc1-1/2" Rc1-1/2" 72 81 264 398 424 187 214 52 M12 20 110 85 87 25 84 24

如属规格品外,本公司可配合要求制作。

规格尺寸如有修改,恕不另行通知。

Copyright ©6686 - 幸运赛事尽在6686体育世界杯官网 版权所有 中机标准化研究院 网站建设:

var _hmt = _hmt || []; (function() { var hm = document.createElement("script"); hm.src = "https://hm.baidu.com/hm.js?25a8b6ddd6dc7b9a90aeb1f51e218aa6"; var s = document.getElementsByTagName("script")[0]; s.parentNode.insertBefore(hm, s); })(); 星空体育xk sports(综合)有限公司官方网站 超凡国际官网-追求健康,你我一起成长 - pgcf 沐鸣娱乐II官方平台资讯站_沐鸣娱乐2 星空真人(中国大陆)集团官方世界杯官网 龙8-long8(头号玩家)国际官方网站