6686体育

旋转接头

6686体育 - 产品展示

YJTX型 双通路(内管固定式)

型号:YJTXSG、YJTXSGF
外管:螺纹或法兰
特征:平衡式机械密封设计; 自支撑式设计; 标准碳石墨密封设计; 双轴承间距支撑; 单通路和双通路设计; 完全流通设计。

技术参数:
适用介质
最高温度 ≤120℃
最高压力 ≤1.0MPa
最高转速

≤1500rpm


产品咨询 返回列表

销售服务热线:

0595-8686 1188


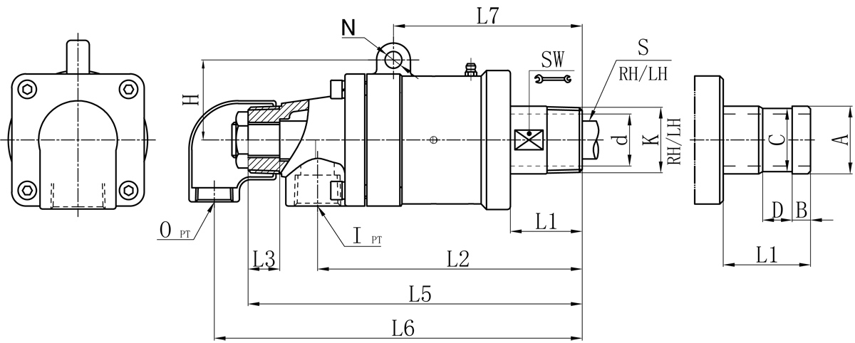
Model K I O S d L1 L2 L3 L5 L6 L7 N H SW 法兰式外管尺寸对照表
A B C D
20A R3/4" Rc3/4" Rc1/2" Rp1/4" 18 48 147 22 180 199 107 8 37 26 26 11 24 16
25A R1" Rc3/4" Rc1/2" Rp3/8" 22 50 153 27 198 213 112 10 44 30 34 12 32 18
32A R1-1/4" Rc1" Rc1/2" Rp1/2" 30 60 176 31 224 236 129 12 55 41 40 13 38 20
40A R1-1/2" Rc1-1/4" Rc3/4" Rp3/4" 36 46 197 33 255 272 148 12 57 45 47.8 13 45 20
50A R2" Rc1-1/2" Rc1" Rp1" 46 77 240 46 313 326 178 12 72 58 60 16 57 24
65A R2-1/2" Rc2" Rc1-1/4" Rp1-1/4" 60 88 273 52 358 386 207 14 92 70 74 19 70 24

如属规格品外,本公司可配合要求制作。
规格尺寸如有修改,恕不另行通知。

Copyright ©6686 - 幸运赛事尽在6686体育世界杯官网 版权所有 中机标准化研究院 网站建设:

var _hmt = _hmt || []; (function() { var hm = document.createElement("script"); hm.src = "https://hm.baidu.com/hm.js?25a8b6ddd6dc7b9a90aeb1f51e218aa6"; var s = document.getElementsByTagName("script")[0]; s.parentNode.insertBefore(hm, s); })(); 星空体育xk sports(综合)有限公司官方网站 超凡国际官网-追求健康,你我一起成长 - pgcf 沐鸣娱乐II官方平台资讯站_沐鸣娱乐2 星空真人(中国大陆)集团官方世界杯官网 龙8-long8(头号玩家)国际官方网站