6686体育

旋转接头

6686体育 - 产品展示

MXQC型 双通路(内管旋转式)

型号:MXQC
外管:法兰
特征:适用于蒸汽、热油介质; 双无油轴承支撑; 优化密封环直径; 可更换性密封底盖; 最大化轴承间距。

技术参数:
适用介质 蒸汽、热油
最高温度 ≤280℃(蒸汽);≤350℃(热油)
最高压力 ≤2.0MPa
最高转速 ≤300rpm


产品咨询 返回列表

销售服务热线:

0595-8686 1188

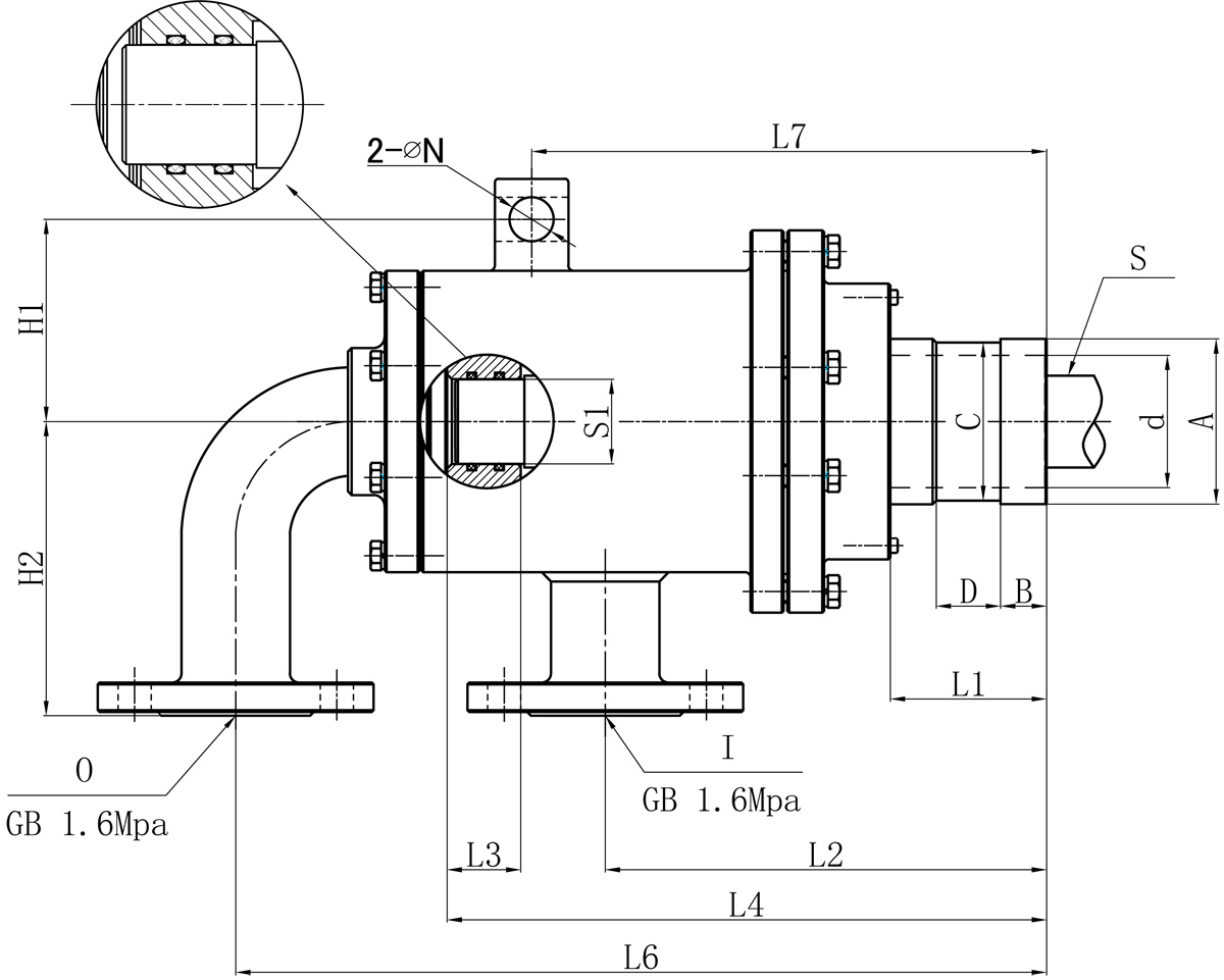
RN

Model I O S1 d L1 L2 L3 L4 L6 L7 N H1 H2 法兰式外管尺寸对照表
A B C D
65A DN40 DN32 40 58 75 195 30 266 415 230 18 106 165 74 19 70 24
80A DN40 DN40 46 72 85 225 40 326 440 289 24 110 160 87 25 84 24
90A DN50 DN50 58 80 100 245 40 346 473 300 25 116 170 100 25 96 30
100A DN65 DN65 75 90 105 270 47 400 536 340 25 133 185 114 25 109 35
125A DN100 DN100 85 125 120 310 60 479 670 450 30 158 215 148 25 142 35
150A DN125 DN125 110 140 130 380 60 550 810 430 30 178 260 166 30 160 38

如属规格品外,本公司可配合要求制作。
规格尺寸如有修改,恕不另行通知


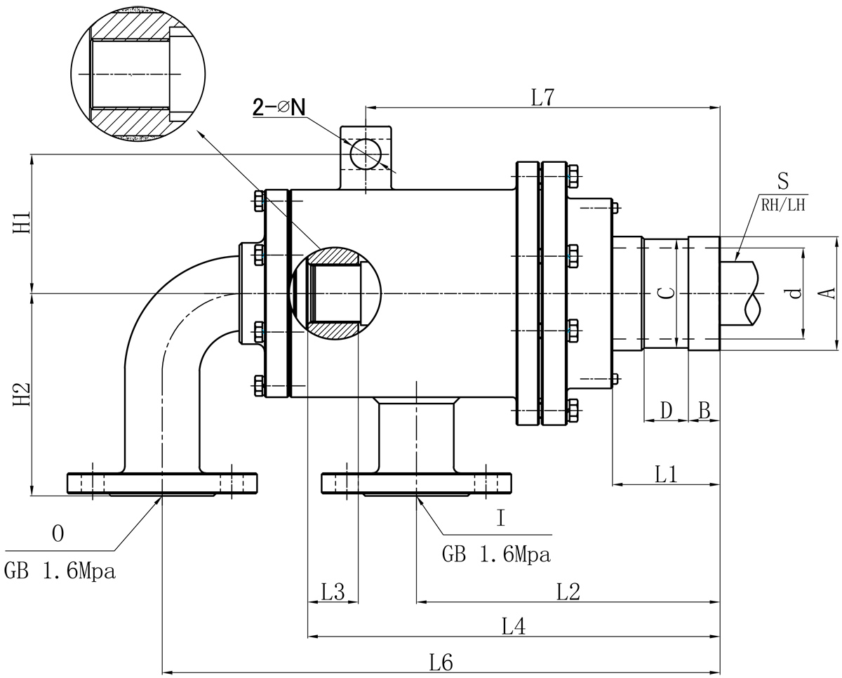
RT

Model I O S d L1 L2 L3 L4 L6 L7 N H1 H2 法兰式外管尺寸对照表
A B C D
65A DN40 DN32 Rc1-1/4" 58 75 195 30 266 415 230 18 106 165 74 19 70 24
80A DN40 DN40 Rc1-1/2" 72 85 225 40 326 440 289 24 110 160 87 25 84 24
90A DN50 DN50 Rc2" 80 100 245 40 346 473 300 25 116 170 100 25 96 30
100A DN65 DN65 Rc2-1/2" 90 105 270 47 400 536 340 25 133 185 114 25 109 35
125A DN100 DN100 Rc3" 125 120 310 60 479 670 450 30 158 215 148 25 142 35
150A DN125 DN125 R4" 140 130 380 60 550 810 430 30 178 260 166 30 160 38

如属规格品外,本公司可配合要求制作。
规格尺寸如有修改,恕不另行通知。

Copyright ©6686 - 幸运赛事尽在6686体育世界杯官网 版权所有 中机标准化研究院 网站建设:

var _hmt = _hmt || []; (function() { var hm = document.createElement("script"); hm.src = "https://hm.baidu.com/hm.js?25a8b6ddd6dc7b9a90aeb1f51e218aa6"; var s = document.getElementsByTagName("script")[0]; s.parentNode.insertBefore(hm, s); })(); 星空体育xk sports(综合)有限公司官方网站 超凡国际官网-追求健康,你我一起成长 - pgcf 沐鸣娱乐II官方平台资讯站_沐鸣娱乐2 星空真人(中国大陆)集团官方世界杯官网 龙8-long8(头号玩家)国际官方网站