6686体育

旋转接头

6686体育 - 产品展示

MXQ2型 双通路(内管旋转式)

型号:MXQ2
外管:螺纹或法兰
特征:适用于蒸汽介质; 球面密封设计; 可更新式密封盖; 新型旋转接头升级产品; 外部支撑杆。

技术参数:
适用介质 蒸汽
最高温度 ≤220℃
最高压力 ≤2.5MPa
最高转速 ≤300rpm

产品咨询 返回列表

销售服务热线:

0595-8686 1188


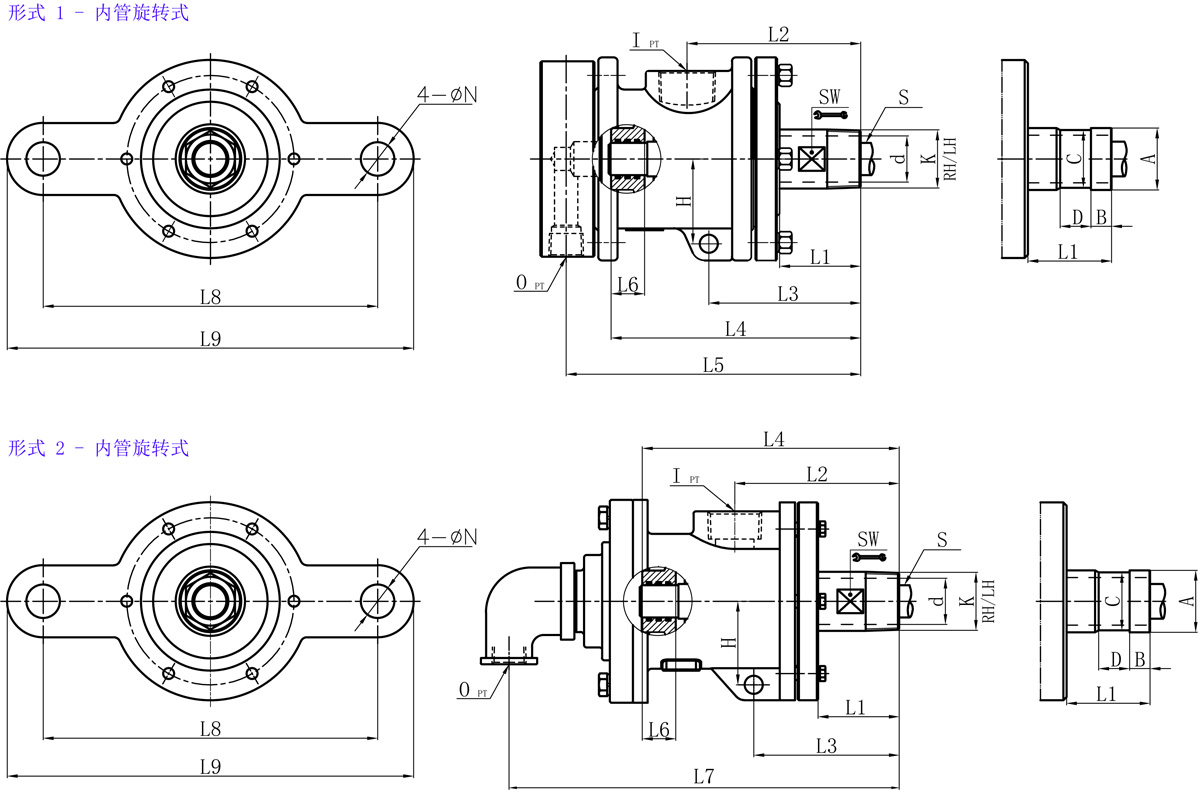
Model K I O S1 d L1 L2 L3 L4 L5 L6 L7 L8 L9 N SW H 法兰式外管尺寸对照表
A B C D
32A R1-1/4" Rc1" Rc1/2" 20 28 64 133 112 198 213 35 / 190 310 20 39 58 40 13 38 20
40A R1-1/2" Rc1-1/4" Rc3/4" 25 36 77 149 132 198 243 26 / 206 316 26 45 66 47.8 13 45 20
50A R2" Rc1-1/2" Rc1" 32 45 77 149 132 216 262 24 286 250 350 24 57 75 60 16 57 24

如属规格品外,本公司可配合要求制作。
规格尺寸如有修改,恕不另行通知。

Copyright ©6686 - 幸运赛事尽在6686体育世界杯官网 版权所有 中机标准化研究院 网站建设:

var _hmt = _hmt || []; (function() { var hm = document.createElement("script"); hm.src = "https://hm.baidu.com/hm.js?25a8b6ddd6dc7b9a90aeb1f51e218aa6"; var s = document.getElementsByTagName("script")[0]; s.parentNode.insertBefore(hm, s); })(); 星空体育xk sports(综合)有限公司官方网站 超凡国际官网-追求健康,你我一起成长 - pgcf 沐鸣娱乐II官方平台资讯站_沐鸣娱乐2 星空真人(中国大陆)集团官方世界杯官网 龙8-long8(头号玩家)国际官方网站