6686体育

旋转接头

6686体育 - 产品展示

MXB2型 80A 双通路(内管旋转式)

型号:MXB2
外管:法兰
特征:适用于水、热油介质; 平面密封设计; 多弹簧设计; 弹簧外置平衡式设计;碳石墨密封设计;平衡式非金属组合摩擦设计或平衡式非金属摩擦副设计;铸铁壳体。

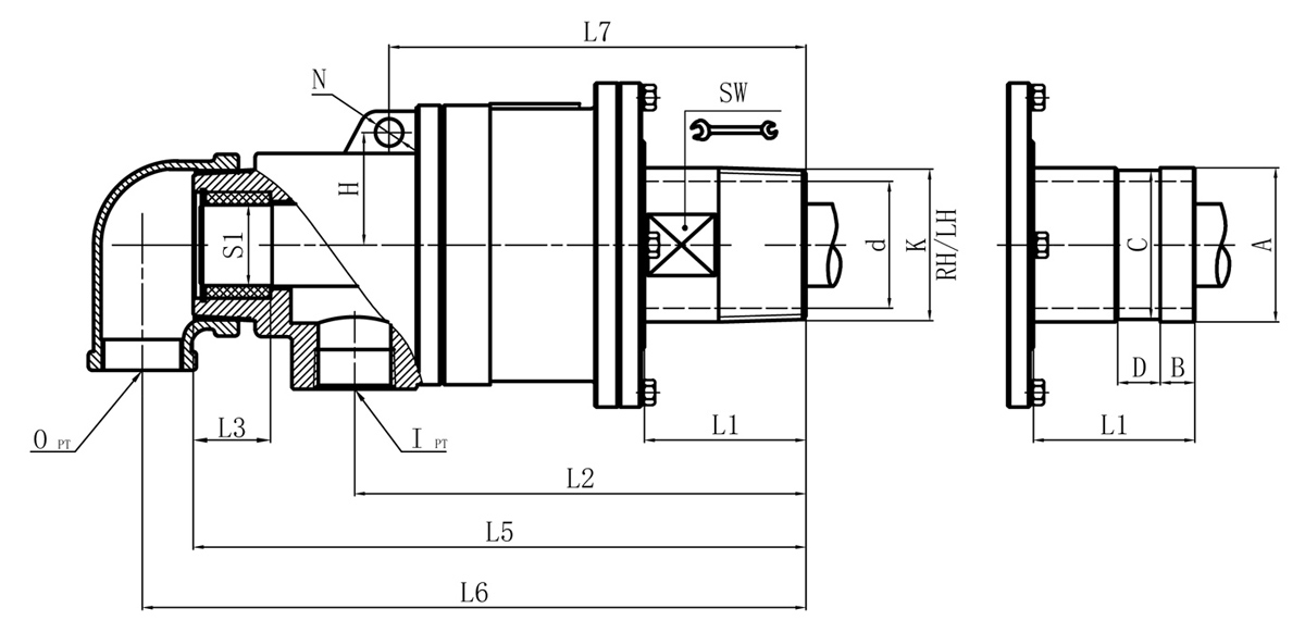
技术参数:
适用介质 水、热油
最高温度 ≤100℃(水)、≤300℃(热油)
最高压力 ≤1.0MPa
最高转速 80A  ≤ 500rpm

产品咨询 返回列表

销售服务热线:

0595-8686 1188

Model K M I O S S1 D1 L1 L2 L3 L5 L6 L7 L8 N SW H 法兰式外管尺寸对照表
A B C D
80A R3" Rc3" Rc2-1/2" Rc1-1/2" Rp1-1/2" 47 72 94 263 45 357 387 243 405 16 85 66 90 20 887 25

如属规格品外,本公司可配合要求制作。
规格尺寸如有修改,恕不另行通知。

Copyright ©6686 - 幸运赛事尽在6686体育世界杯官网 版权所有 中机标准化研究院 网站建设:

var _hmt = _hmt || []; (function() { var hm = document.createElement("script"); hm.src = "https://hm.baidu.com/hm.js?25a8b6ddd6dc7b9a90aeb1f51e218aa6"; var s = document.getElementsByTagName("script")[0]; s.parentNode.insertBefore(hm, s); })(); 星空体育xk sports(综合)有限公司官方网站 超凡国际官网-追求健康,你我一起成长 - pgcf 沐鸣娱乐II官方平台资讯站_沐鸣娱乐2 星空真人(中国大陆)集团官方世界杯官网 龙8-long8(头号玩家)国际官方网站