6686体育

旋转接头

6686体育 - 产品展示

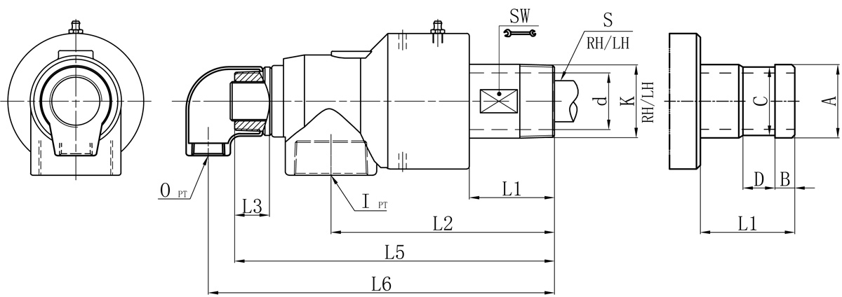
MXPH型 双通路(内管固定式)

型号:MXPH
外管:螺纹或法兰
特征:平面式密封设计; 标准浸锑或碳石墨密封技术; 平衡式非金属组合摩擦设计或平衡式非金属摩擦副设计; 单弹簧设计; 自支撑式设计; 双轴承间距支撑; 铜合金壳体; 单通路和双通路设计; 低扭矩。

技术参数:
适用介质 水、油
最高温度 ≤120℃(水)、≤260℃(油)
最高压力 ≤1.0MPa
最高转速 ≤1500rpm

产品咨询 返回列表

销售服务热线:

0595-8686 1188


Model K I O S S1 d L1 L2 L3 L5 L6 SW 法兰式外管尺寸对照表
A B C D
50A R2" Rp2” Rc1" Rp1” 32 46 69 181 25 261 285 57 60 16 57 24

如属规格品外,本公司可配合要求制作。
规格尺寸如有修改,恕不另行通知。 

Copyright ©6686 - 幸运赛事尽在6686体育世界杯官网 版权所有 中机标准化研究院 网站建设:

var _hmt = _hmt || []; (function() { var hm = document.createElement("script"); hm.src = "https://hm.baidu.com/hm.js?25a8b6ddd6dc7b9a90aeb1f51e218aa6"; var s = document.getElementsByTagName("script")[0]; s.parentNode.insertBefore(hm, s); })(); 星空体育xk sports(综合)有限公司官方网站 超凡国际官网-追求健康,你我一起成长 - pgcf 沐鸣娱乐II官方平台资讯站_沐鸣娱乐2 星空真人(中国大陆)集团官方世界杯官网 龙8-long8(头号玩家)国际官方网站